lemon-mirror:
Home >> Honda >> 2008 >> CR-V 2WD L4-2.4L >> Repair and Diagnosis >> Powertrain Management >> Computers and Control Systems >> Air Flow Meter/Sensor >> Service and Repair

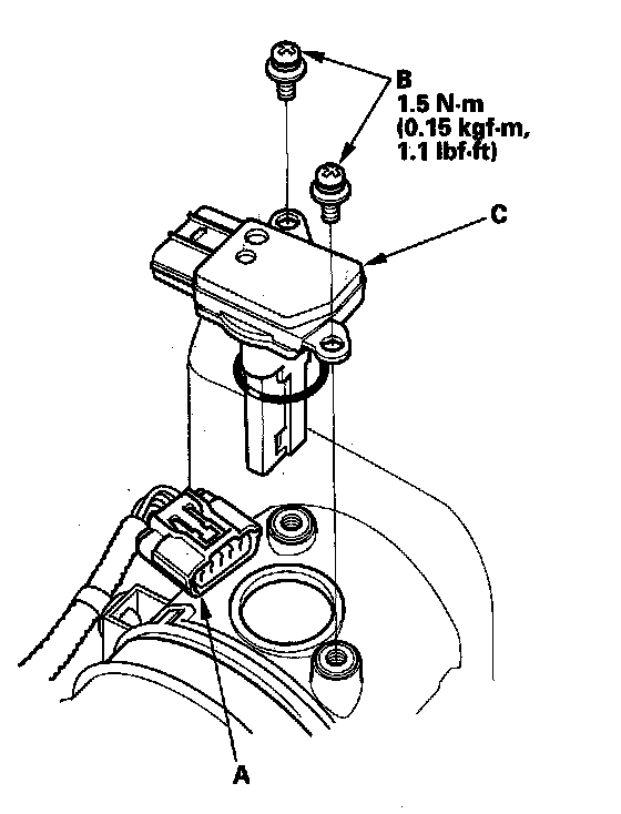
Air Flow Meter/Sensor: Service and Repair

MAF Sensor/IAT Sensor Replacement




1. Disconnect the MAF sensor/IAT sensor connector (A).
2. Remove the screws (B).
3. Remove the MAF sensor/IAT sensor (C).
4. Install the parts in the reverse order of removal with a new O-ring (D).