lemon-mirror:
Home >> Honda >> 2007 >> S2000 L4-2.2L >> Repair and Diagnosis >> Powertrain Management >> Ignition System >> Ignition Coil >> Service and Repair

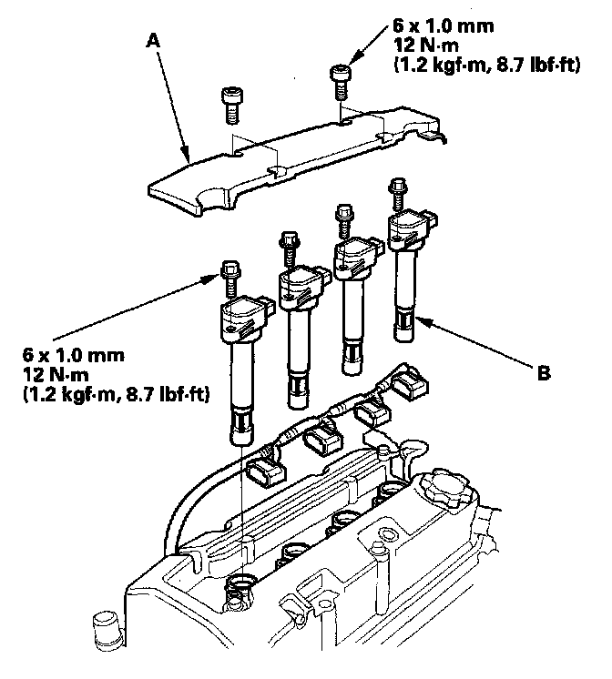
Ignition Coil: Service and Repair

Ignition Coil Removal/Installation




1. Remove the ignition coil cover (A).
2. Disconnect the ignition coil connectors, then remove the ignition coils (B).




3. Install the ignition coils in the reverse order of removal.

NOTE: The ignition coils for 2006-2007 models are different from former models. Do not install the ignition coils for other year model, because it may be damaged. As for the distinction, the ignition coils for 2006-2007 models have the ribs (A) on the coil head and supplier's parts number (B).