lemon-mirror:
Home >> Honda >> 2007 >> S2000 L4-2.2L >> Repair and Diagnosis >> Powertrain Management >> Computers and Control Systems >> Accelerator Pedal Position Sensor >> Service and Repair

Accelerator Pedal Position Sensor: Service and Repair

APP Sensor Replacement

1. Remove the throttle cable cover.
2. Remove the throttle cable.




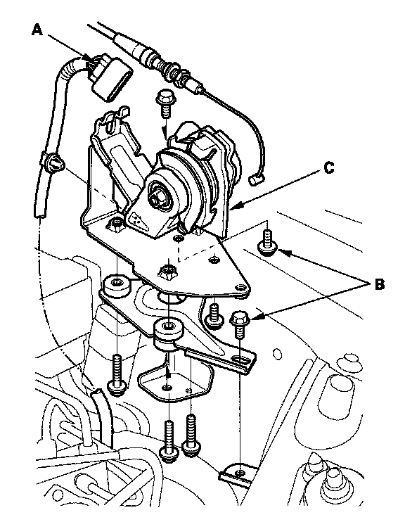
3. Disconnect the accelerator pedal position (APP) sensor 6P connector (A).
4. Remove the bolts (B) and the APP sensor (C).
5. Install the parts in the reverse order of removal.