lemon-mirror:
Home >> Honda >> 2007 >> Ridgeline V6-3.5L >> Repair and Diagnosis >> Transmission and Drivetrain >> Automatic Transmission/Transaxle >> Control Module >> Testing and Inspection >> Programming and Relearning >> Substituting the PCM

Substituting the PCM

Substituting the PCM

Special Tools Required
^ Honda diagnostic system (HDS) TDSGDS2200*
^ Honda interface module (HIM) EQS05A35570*
^ HDS pocket tester TDSS3557011401*
* Available through the Honda tool and Equipment Program

Use this procedure when you have to substitute a known-good PCM during troubleshooting procedure.

1. Connect the HDS to the DLC (A) located behind the driver's dashboard lower cover.
2. Turn the ignition switch ON (II).





3. Make sure the HDS communicates with the PCM. If it doesn't, go to the DLC circuit troubleshooting. If you are returning from DLC circuit troubleshooting, skip step 5 to 10, and clean the throttle body after substituting the PCM.
4. Select the INSPECTION MENU with the HDS.
5. Select the ETCS TEST, then select the TP POSITION CHECK, and follow the screen prompts.

NOTE: If the TP POSITION CHECK indicates FAILED, continue this procedure.

6. Jump the SCS line with the HDS.
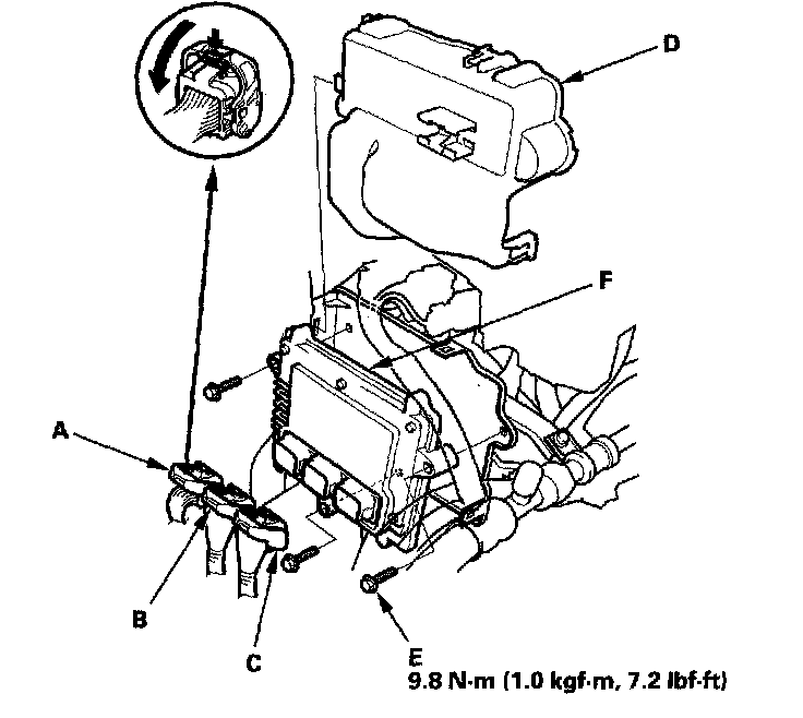
7. Remove the cover (D).





8. Disconnect PCM connectors (A), (B), and (C).

NOTE: PCM connectors A, B, and C have symbols (A = "square", B = "circle", C = "triangle") embossed on them for identification.

9. Remove the bolts (E), and remove the PCM (F).
10. Install a known-good PCM in the reverse order of removal.
11. Open the SCS with the HDS.
12. Turn the ignition switch ON (II).

NOTE: DTC P0630 "VIN Not Programmed or Mismatch" may be stored because the VIN has not been programmed into the PCM; ignore it, and continue this procedure.

13. Manually input the VIN to the PCM with the HDS.
14. Update the PCM if it does not have the latest software.
15. Select the IMMOBI SYSTEM with the HDS.
16. Enter the immobilizer code using the PCM replacement procedure in the HDS; this allows you to start the engine.
17. Reset the PCM with the HDS.
18. If the TP POSITION CHECK failed in step 6, clean the throttle body.
19. Do the PCM idle learn procedure.
20. Do the CKP pattern learn procedure.