lemon-mirror:
Home >> Honda >> 2007 >> Ridgeline V6-3.5L >> Repair and Diagnosis >> Heating and Air Conditioning >> Control Module HVAC >> Locations

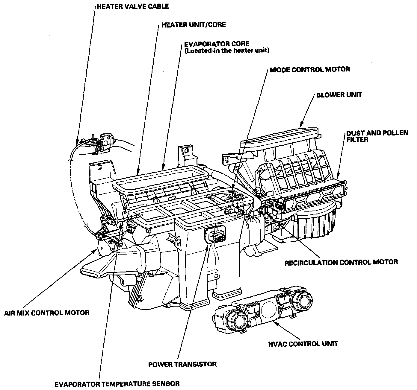
Control Module HVAC: Locations

Heating/Air Conditioning Component Location Index:



Climate Control Component Location Index: