lemon-mirror:
Home >> Honda >> 2007 >> Pilot 2WD V6-3.5L >> Repair and Diagnosis >> Powertrain Management >> Computers and Control Systems >> Oxygen Sensor >> Service and Repair >> A/F Sensor Replacement

A/F Sensor Replacement

A/F Sensor Replacement

Special Tools Required
O2 sensor wrench, Snap-on S6176, or equivalent, commercially, available.

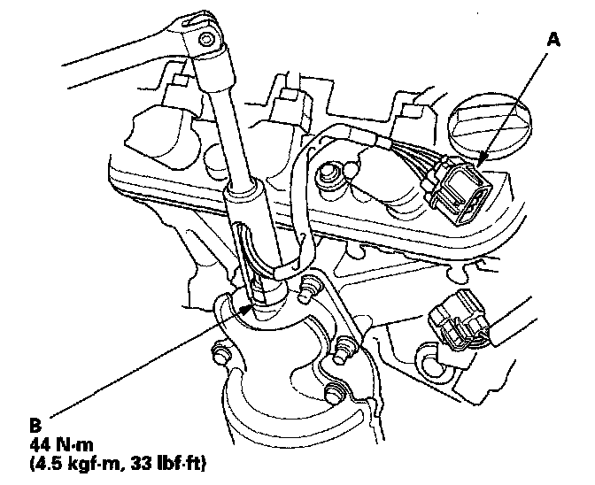
Front Bank (Bank 2)




1. Disconnect the front A/F sensor 8P connector (A), then remove the front A/F sensor (B).
2. Install the parts in the reverse order of removal.

Rear Bank(Bank 1)

1. Remove the engine cover.




2. Disconnect the rear A/F sensor 8P connector (A), then remove the rear A/F sensor (B).
3. Install the parts in the reverse order of removal.