lemon-mirror:
Home >> Honda >> 2007 >> Pilot 2WD V6-3.5L >> Repair and Diagnosis >> Powertrain Management >> Computers and Control Systems >> Coolant Temperature Sensor/Switch (For Computer) >> Service and Repair >> ECT Sensor 1 Replacement

ECT Sensor 1 Replacement

ECT Sensor 1 Replacement

1. Drain the engine coolant.
2. Remove engine cover.




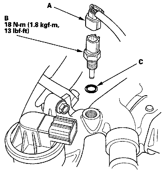
3. Disconnect the ECT sensor 1 2P connector (A).
4. Remove ECT sensor 1 (B).
5. Install the parts in the reverse order of removal with a new O-ring (C), then refill the radiator with engine coolant, and bleed air from the cooling system with the heater valve open.