lemon-mirror:
Home >> Honda >> 2007 >> Pilot 2WD V6-3.5L >> Repair and Diagnosis >> Powertrain Management >> Computers and Control Systems >> Camshaft Position Sensor >> Service and Repair

Camshaft Position Sensor: Service and Repair

CMP Sensor Replacement

1. Remove the timing belt; J35A9 engine, J35Z1 engine.




2. Remove the front camshaft pulley (CMP sensor pulse plate) (A).
3. Disconnect the CMP sensor connector (B), then remove the back cover (C).




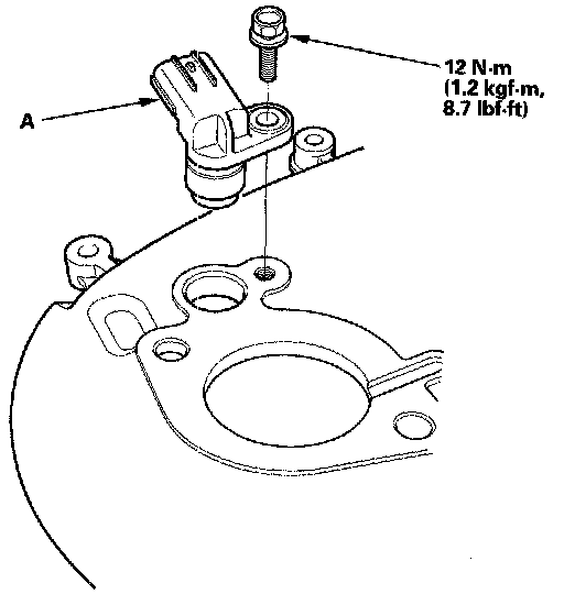
4. Remove the CMP sensor (A) from the back cover.
5. Install the parts in the reverse order of removal. Install the timing belt; J35A9 engine, J35Z1 engine.
6. Do the CKP pattern clear/CKP pattern learn procedure.