lemon-mirror:
Home >> Honda >> 2007 >> Pilot 2WD V6-3.5L >> Repair and Diagnosis >> Powertrain Management >> Computers and Control Systems >> Accelerator Pedal Position Sensor >> Service and Repair >> APP Sensor Replacement

APP Sensor Replacement

APP Sensor Replacement




1. Remove the bolts and the throttle cable cover (A).
2. Remove the throttle cable.




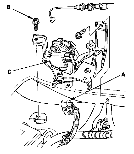
3. Disconnect the APP sensor 6P connector (A).
4. Remove the bolts (B) and APP sensor (C).
5. Install the parts in the reverse order of removal.