lemon-mirror:
Home >> Honda >> 2007 >> Pilot 2WD V6-3.5L >> Repair and Diagnosis >> Heating and Air Conditioning >> Control Assembly >> Service and Repair >> Climate Control >> Climate Control Unit Removal and Installation

Climate Control Unit Removal and Installation

Climate Control Unit Removal and Installation

1. Remove the center panel.




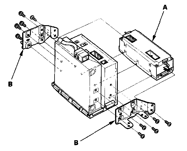
2. Remove the screws, and remove the climate control unit (A) with the brackets from the dashboard, then disconnect the connectors (B).




3. Remove the screws and the climate control unit (A) from the brackets (B).
4. Install the control unit in the reverse order of removal. After installation, operate the control unit controls to see whether it works properly.
5. Run the self-diagnostic function to confirm that there are no problems in the system.