lemon-mirror:
Home >> Honda >> 2007 >> Pilot 2WD V6-3.5L >> Repair and Diagnosis >> Accessories and Optional Equipment >> Navigation System >> Navigation Module >> Service and Repair

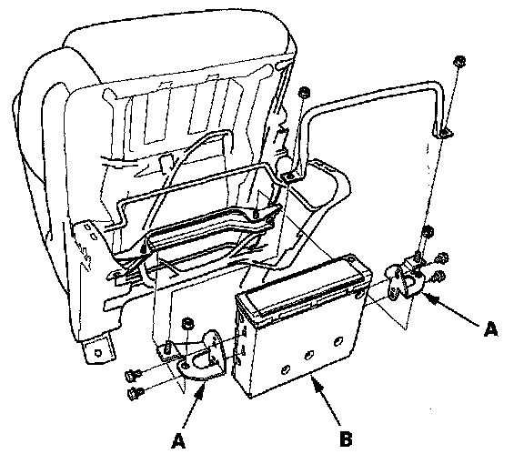
Navigation Module: Service and Repair

Navigation Unit Removal/Installation

1. Remove the navigation DVD.




2. Remove the passenger's seat.
3. Remove the navigation unit bracket (A) from the passenger's seat.
4. Remove the bracket from the navigation unit (B).
5. Install in the reverse order of removal.
6. Do the map matching procedure after servicing.