lemon-mirror:
Home >> Honda >> 2007 >> Odyssey V6-3.5L >> Repair and Diagnosis >> Powertrain Management >> Computers and Control Systems >> Transmission Position Sensor/Switch >> Service and Repair

Transmission Position Sensor/Switch: Service and Repair

Transmission Range Switch Replacement
1. Make sure you have anti-theft code for the audio unit and navigation system, then write down the audio presets.
2. Disconnect the negative terminal from the battery, then disconnect the positive terminal.
3. Remove the battery hold-down bracket, the battery and the battery tray.
4. Remove the engine cover and the air cleaner assembly.
5. Remove the battery base.
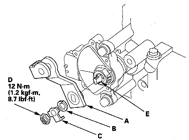
6. Remove the nuts securing the shift cable bracket (A).





7. Remove the spring clip (B) and the control pin (C), then separate the shift cable end (D) from the control lever (E).
8. Disconnect the transmission range switch connector.
9. Pry the lock tab of the lock washer (A) on the control lever (B), and remove the nut (C), lock washer, spring washer (D) and control lever.





10. Pry the lock tabs of the lock washer (E) on the transmission range switch (F), hold the selector control shaft (G) with a 6.0 mm wrench, and loosen the locknut (H).
11. Remove the locknut and lock washer, then remove the transmission range switch (two bolts).
12. Set the new transmission range switch (A) to the N position. The transmission range switch clicks in the N position, and the selector control shaft hole (B) aligns with the N position line (C).





13. Set the control shaft to the N position by turning the selector control shaft with a 6.0 mm wrench.





14. Install the transmission range switch (A) gently over the selector control shaft (B), and install the bolts loosely.





15. Install the new lock washer (A) over the selector control shaft (B) while aligning the projection (C) of the lock washer with the N positioning line (D) on the transmission range switch (E), and install the locknut (F).





16. Push the locknut against the transmission housing to seat the transmission range switch into the selector control shaft, and tighten the locknut to 12 N-m (1.2 kgf-m, 8.7 lbf-ft) while holding the control shaft with a 6.0 mm wrench, then bend the lock tabs against the locknut.





17. Tighten the bolts to 12 N-m (1.2 kgf-m, 8.7 lbf-ft) securing the transmission range switch.
18. Install the control lever (A), spring washer (B), lock washer (C), and locknut (D) on the selector control shaft (E).





19. Tighten the locknut to the specified torque, then bend the lock tab of the lock washer against the locknut.
20. Attach the shift cable end to the control lever, then insert the control pin into the control lever hole through the shift cable end, and secure the control pin with the spring clip.
21. Secure the shift cable bracket.
22. Check the connectors for rust, dirt, or oil, clean or repair if necessary, then connect the connector securely.
23. Install the battery base.
24. Install the air cleaner assembly and the engine cover.
25. Install the battery tray, the battery, and the battery hold-down bracket, then connect the battery terminals.
26. Turn the ignition switch ON (II). Move the shift lever through all positions, and check the transmission range switch synchronization with the A/T gear position indicator.
27. Check that the engine will start in the P and N positions, and will not start in any other shift lever position.
28. Check that the back-up lights come on when the shift lever is in the R position.
29. Allow the front wheels to rotate freely, then start the engine, and check the shift lever operation.
30. Enter the anti-theft code for the audio unit and navigation system, then enter the audio presets, and set the clock.