lemon-mirror:
Home >> Honda >> 2007 >> Odyssey V6-3.5L >> Repair and Diagnosis >> Diagrams >> Electrical Diagrams >> Memory Positioning Systems >> Driving Position Memory System (DPMS) Circuit Diagram

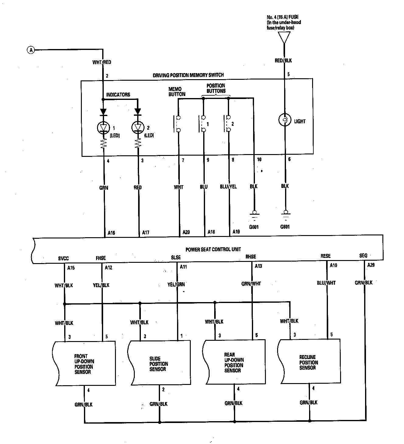
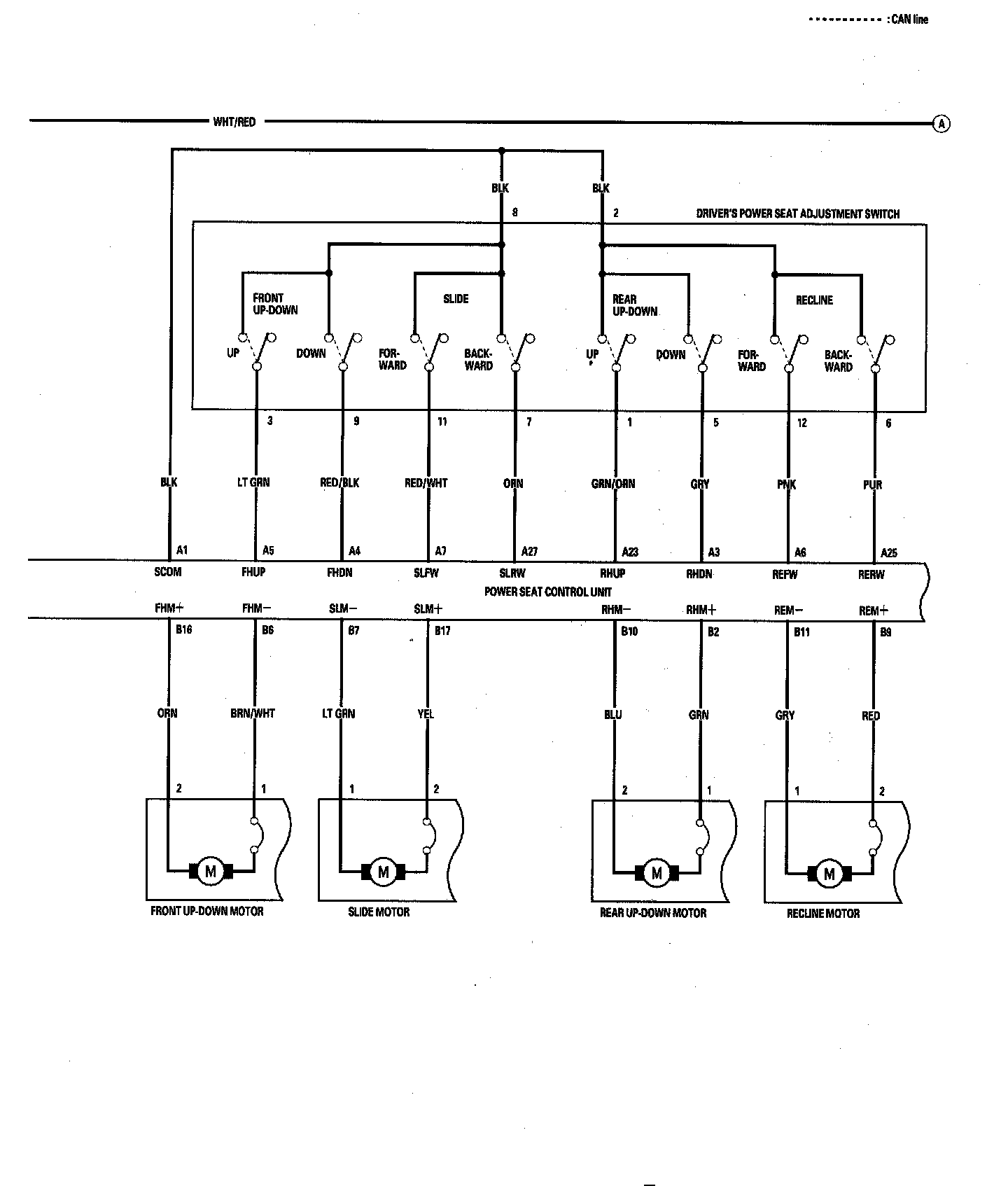
Driving Position Memory System (DPMS) Circuit Diagram

Driving Position Memory System (DPMS) Circuit Diagram Part 1:



Driving Position Memory System (DPMS) Circuit Diagram Part 2:



Driving Position Memory System (DPMS) Circuit Diagram Part 3: