lemon-mirror:
Home >> Honda >> 2007 >> Fit L4-1.5L >> Repair and Diagnosis >> Powertrain Management >> Computers and Control Systems >> Fuel Tank Pressure Sensor >> Service and Repair

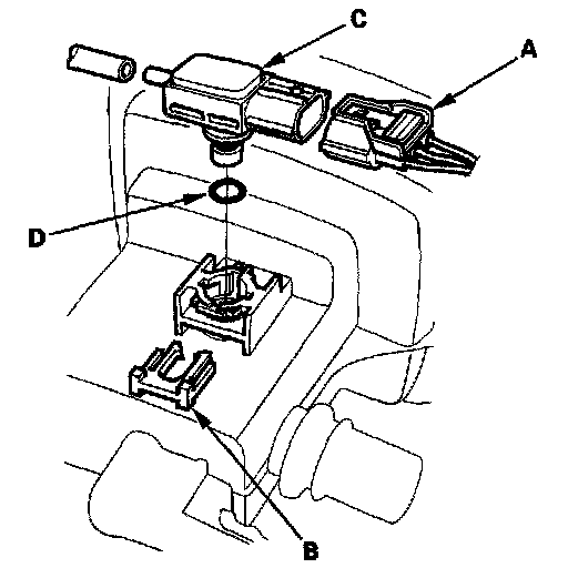
Fuel Tank Pressure Sensor: Service and Repair

FTP Sensor Replacement

1. Remove the EVAP canister.




2. Disconnect the FTP sensor 3P connector (A).
3. Remove the retaining clip (B), then remove the FTP sensor(C).
4. Install the parts in the reverse order of removal with a new O-ring (D).