lemon-mirror:
Home >> Honda >> 2007 >> Fit L4-1.5L >> Repair and Diagnosis >> Powertrain Management >> Computers and Control Systems >> Electronic Throttle Control Module >> Service and Repair

Electronic Throttle Control Module: Service and Repair

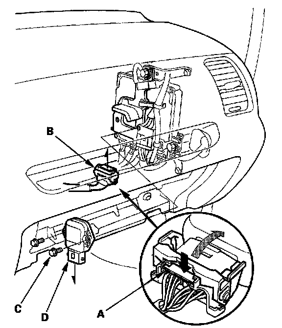
Throttle Actuator Control Module Replacement

1. Remove the passenger's dashboard under cover, the sidekick panel, and the glove box.




2. Push the tab (A), and disconnect the throttle actuator control module 16P connector (B).
3. Remove the bolts (C), and the throttle actuator control module (D).
4. Install the parts in the reverse order of removal.