lemon-mirror:
Home >> Honda >> 2007 >> Element 4WD L4-2.4L >> Repair and Diagnosis >> Maintenance >> Fluids >> Fluid - Differential >> Service and Repair

Fluid - Differential: Service and Repair

Rear Differential Fluid Inspection and Replacement
1. Raise the vehicle on the lift.
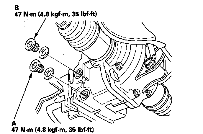
2. Remove the filler plug (A) and washer (B), then check the condition of the fluid, and make sure the fluid is at the proper level (C).





3. The fluid level must be up to the fill hole. If it is below the hole, add the recommended fluid until it runs out, then reinstall the filler plug with a new washer.
4. If the fluid is dirty, remove the drain plug (A), and drain the fluid.





5. Clean the drain plug, then reinstall it with a new washer, and refill the differential with the recommended fluid to the proper level.

NOTE: If you disassemble the differential, check the fluid level again after the 4WD system check is finished. Add fluid if necessary.

Fluid Capacity
1.0 L (1.1 US qt) at fluid change
1.2 L (1.3 US qt) at overhaul

Recommended fluid: Honda Dual Pump Fluid (P/N 08200-9002)

6. Reinstall the filler plug (B) with a new washer.