lemon-mirror:
Home >> Honda >> 2007 >> Element 2WD L4-2.4L >> Repair and Diagnosis >> Specifications >> Mechanical Specifications >> Engine >> Timing Components >> System Specifications

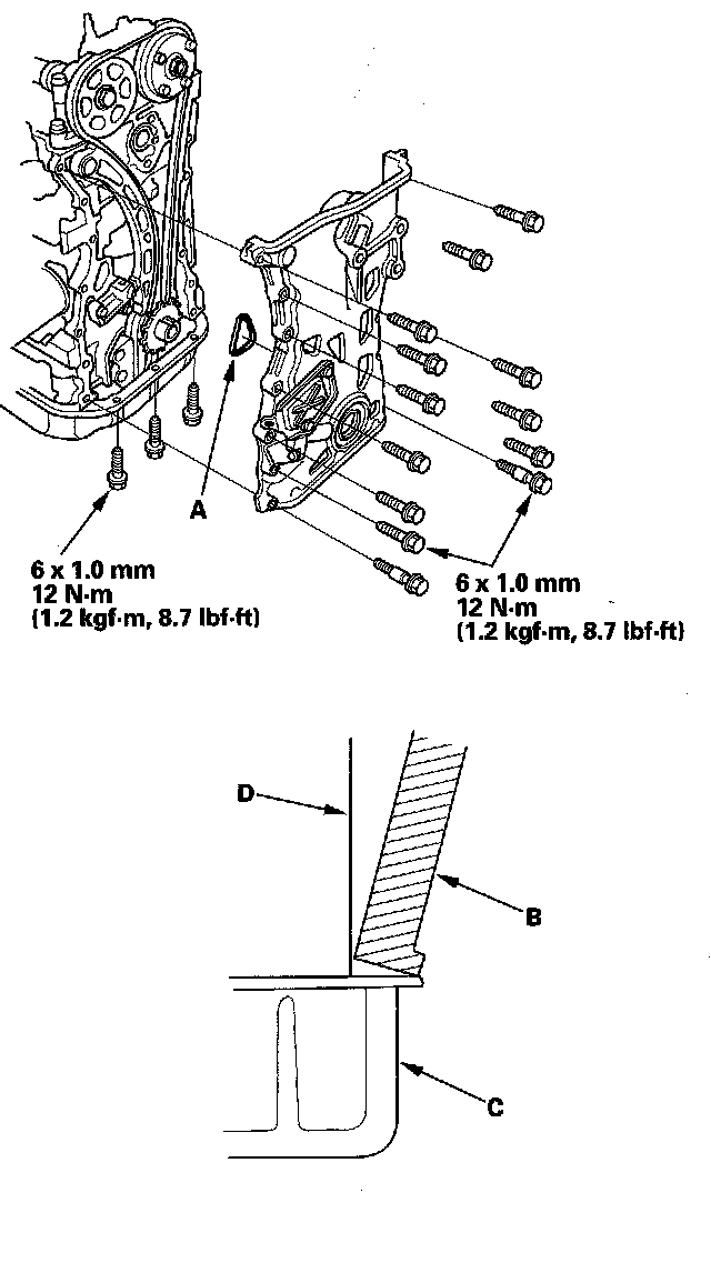
System Specifications

Crankshaft Pulley
Tightening Torque 49 Nm (5.0 kgf-m, 36 lbf-ft) + an additional 90°

Auto-tensioner





Chain Case





Chain Case Cover