lemon-mirror:
Home >> Honda >> 2007 >> Element 2WD L4-2.4L >> Repair and Diagnosis >> Powertrain Management >> Computers and Control Systems >> Engine Control Module >> Testing and Inspection >> Programming and Relearning >> Updating the ECM/PCM

Updating the ECM/PCM

Updating the ECM/PCM

Special Tools Required
- Honda diagnostic system (HDS)
- Honda interface module (HIM)
- HDS pocket tester

NOTE:
- Use this procedure when you need to update the ECM/PCM during troubleshooting procedures.
- Make sure the HDS/HIM has the latest software version.
- Before you update the ECM/PCM, make sure the battery in the vehicle is fully changed.
- Never turn the ignition switch OFF during the update. If there is a problem with the update, leave the ignition switch ON.
- To prevent ECM/PCM damage, do not operate anything electrical (headlights, audio system, brakes, A/C, power windows, door locks, etc.) during the update.
- To ensure the latest program is installed, do an ECM/PCM update whenever the ECM/PCM is substituted or replaced.
- You cannot update an ECM/PCM with a program it already has. It will only accept a new program.
- If you need to diagnose the Honda interface module (HIM) because the HIM's red (#3) lamp came on or was flashed during the update, leave the ignition switch in the ON (II) position when you disconnect the HIM from the data link connector (DLC). This will prevent ECM/PCM damage.

1. Turn the ignition switch ON (II), but do not start the engine.




2. Connect the HDS to the data link connector (DLC) (A) located under the driver's side of the dashboard.
3. Make sure the HDS communicates with the ECM/PCM and other vehicle system. If it doesn't, go to the DLC circuit troubleshooting. Testing and Inspection

If you are returning from the DLC circuit troubleshooting, skip steps 4 and 5, then clean the throttle body after updating the ECM/PCM.

4. Select the INSPECTION MENU with the HDS.
5. Select the ETCS TEST, then select the TP POSITION CHECK, and follow the screen prompts with the HDS.

NOTE: If the TP POSITION CHECK indicates FAILED, continue this procedure.

6. Exit the HDS diagnostic system, then select the update mode, and follow the screen prompts to update the ECM/PCM.
7. If the software in the ECM/PCM is the latest, disconnect the HDS/HIM from the DLC, and go back to the procedure that you were doing. If the software in the ECM/PCM is not the latest, follow the instructions on the screen. If prompted to choose the PGM-FI system or the A/T system, make sure you update both.

NOTE: If the ECM/PCM update system requires you to cool the ECM/PCM, follow the screen prompts. If you run into a problem (programming takes over 15 minutes, status bar goes over 100 %, D or immobilizer indicator flashes, HDS tablet freezes, etc.) during the update procedure, follow these steps to minimize the chance of damaging the ECM/PCM:

- Leave the ignition switch in the "ON (II)" position.
- Connect a jumper battery (do not connect a battery charger).
- Shut down the HDS.
- Disconnect the HDS from the DLC.
- Reboot the HDS.
- Reconnect the HDS to the DLC, and try the update procedure again.

8. If the TP POSITION CHECK failed in step 6, clean the throttle body.
9. Do the ECM/PCM idle learn procedure.
10. Do the CKP learn procedure.

Substituting the ECM/PCM

Special Tools Required
- Honda diagnostic system (HDS)
- Honda interface module (HIM)
- HDS pocket tester

NOTE: Use this procedure when you need to substitute a known-good ECM/PCM during troubleshooting procedures.




1. Connect the HDS to the data link connector (DLC) (A) located under the driver's side of the dashboard.
2. Turn the ignition switch ON (II).
3. Make sure the HDS communicates with the ECM/PCM. If it doesn't, go to the DLC circuit troubleshooting. Testing and Inspection

If you are returning from DLC circuit troubleshooting, skip steps 4 through 14, then clean the throttle body after substituting the ECM/PCM.

4. Select the INSPECTION MENU with the HDS.
5. Select the ETCS TEST, then select the TP POSITION CHECK and follow the screen prompts.

NOTE: If the TP POSITION CHECK indicates FAILED, continue this procedure.

6. Turn the ignition switch OFF.
7. Jump the SCS line with the HDS.
8. Remove the passenger's dashboard under cover, the passenger's kick panel, and the glove box.




9. Cut the plastic cross brace in the glove box opening with diagonal cutters in the area shown, and discard it.




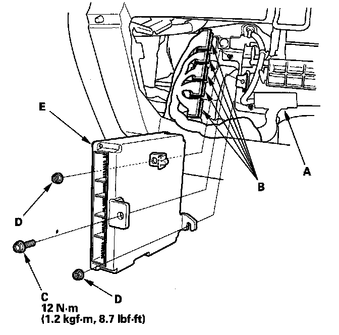
10. Remove the relays (A), then remove the bolts (B) and the glove box frame (C).




11. Remove the gray 20P ECM/PCM wire harness connector (A) from the ECM/PCM mounting bracket.
12. Disconnect the ECM/PCM connectors (B).
13. Remove the ECM/PCM mounting bolt (C) and the bracket.
14. Remove the nuts (D), then remove the ECM/PCM (E).
15. Install the ECM/PCM in the reverse order of removal.
16. Open the SCS line with the HDS.
17. Turn the ignition switch ON (II).

NOTE: DTC P0630 "VIN Not Programmed or Mismatch" may be stored because the VIN has not been programmed into the ECM/PCM; ignore it, and continue this procedure.

18. Manually input the VIN to the ECM/PCM with the HDS.
19. Update the ECM/PCM if it does not have the latest software.
20. Select the IMMOBI SYSTEM with the HDS.
21. Enter the immobilizer code with ECM/PCM PCM replacement procedure in the HDS; it allows you to start the engine.
22. Reset the ECM/PCM with the HDS.
23. If the TP POSITION CHECK failed in step 5, clean the throttle body.
24. Do the ECM/PCM idle learn procedure.
25. Do the CKP pattern learn procedure.