lemon-mirror:
Home >> Honda >> 2007 >> Element 2WD L4-2.4L >> Repair and Diagnosis >> Powertrain Management >> Computers and Control Systems >> Engine Control Module >> Service and Repair

Engine Control Module: Service and Repair

ECM/PCM Replacement

NOTE:
- Make sure the HDS is loaded with the latest software version.
- If you are replacing the ECM/PCM after substituting a known-good ECM/PCM, reinstall the original ECM/PCM, then do this procedure.
- During the procedure, if any READ DATA, WRITE DATA, or other data checks fail, note the failure, then continue.




1. Connect the HDS to the data link connector (DLC) (A) located under the driver's side of the dashboard.
2. Turn the ignition switch ON (II).
3. Make sure the HDS communicates with the ECM/PCM and other vehicle system. If it doesn't, go to the DLC circuit troubleshooting. Testing and Inspection If you are returning from DLC circuit troubleshooting, skip steps 4 through 7, 21 through 23, and 26 through 27, and do this after replacing the ECM/PCM:
- Replace the engine oil and the engine oil filter.
- Clean the throttle body.

4. Select the PGM-FI system with the HDS.
5. Select the INSPECTION MENU with the HDS.
6. Select the ETCS TEST, then select the TP POSITION CHECK, and follow the screen prompts.

NOTE: If the TP POSITION CHECK indicates FAILED, continue with this procedure.

7. Select the REPLACE ECM/PCM MENU, then select READ DATA and follow the screen prompts.

NOTE:
- Doing this step copies (READS) the engine oil life data from the original ECM/PCM so you can later download (WRITE) it into the new ECM/PCM.
- If READ DATA indicates FAILED, continue with this procedure.

8. Turn the ignition switch OFF.
9. Jump the SCS line with the HDS.
10. Remove the passenger's dashboard under cover, the side kick panel, and the glove box.




11. Cut the plastic cross brace in the glove box opening with diagonal cutters in the area shown, and discard it.




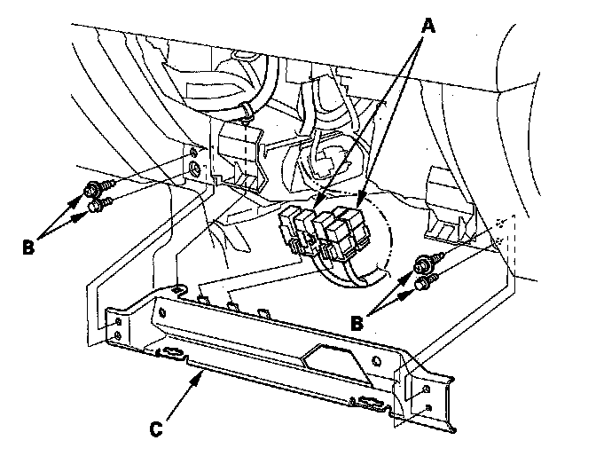
12. Remove the relays (A), then remove the bolts (B) and the glove box frame (C).




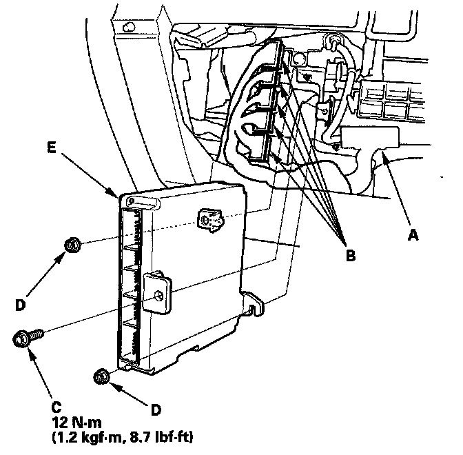
13. Remove the gray 20P ECM/PCM wire harness connector (A) from the ECM/PCM mounting bracket.
14. Disconnect the ECM/PCM connectors (B).
15. Remove the ECM/PCM mounting bolt (C) and the bracket.
16. Remove the nuts (D), then remove the ECM/PCM (E).
17. Install the parts in the reverse order of removal.
18. Open the SCS line with the HDS.
19. Turn the ignition switch ON (II).
20. Manually input the VIN to the ECM/PCM with the HDS.

NOTE: DTC P0630 "VIN Not Programmed or Mismatch" may be stored because the VIN has not been programmed into the ECM/PCM; ignore it, and continue this procedure.

21. If the READ DATA (engine oil life) failed in step 7, go to step 24. Otherwise, go to step 22.
22. Select the PGM-FI system with the HDS.
23. Select the REPLACE ECM/PCM MENU, then select WRITE DATA and follow the screen prompts.

NOTE: If the WRITE DATA indicates FAILED, continue with this procedure.

24. Select IMMOBI system with the HDS.
25. Enter the immobilizer code with the ECM/PCM replacement procedure in the HDS; it allows you to start the engine.
26. If the TP POSITION CHECK failed in step 6 clean the throttle body, then go to step 27.
27. If the READ DATA failed in step 7 or the WRITE DATA failed in step 23, replace the engine oil and engine oil filter, then go to step 28.
28. Select PGM-FI system, and reset the ECM/PCM with the HDS.
29. Update the ECM/PCM if it does not have the latest software.
30. Do the ECM/PCM idle learn procedure.
31. Do the CKP pattern learn procedure.