lemon-mirror:
Home >> Honda >> 2007 >> Element 2WD L4-2.4L >> Repair and Diagnosis >> Powertrain Management >> Computers and Control Systems >> Engine Control Module >> Diagrams >> Diagram Information and Instructions >> How to Read Schematics >> Ground Distribution Schematics

Ground Distribution Schematics




Ground Distribution Schematics
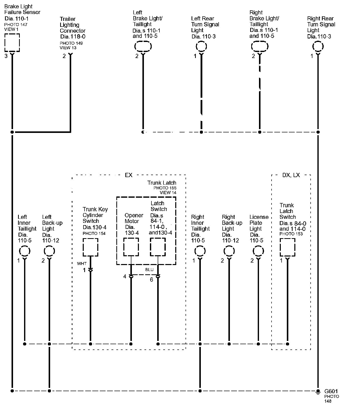
This sample Ground Distribution schematic shows all of the components that share the same ground point.