lemon-mirror:
Home >> Honda >> 2007 >> Element 2WD L4-2.4L >> Repair and Diagnosis >> Powertrain Management >> Computers and Control Systems >> Electric Load Sensor >> Service and Repair

Electric Load Sensor: Service and Repair

ELD Replacement

1. Make sure you have the anti-theft code for the audio unit, then write down the audio presets ('03-04 models).
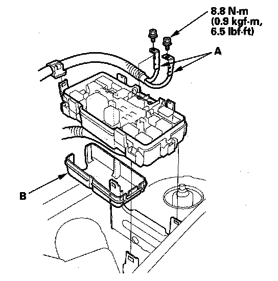
2. Remove the two positive (+) terminal (A).
3. Remove the under-hood fuse/relay box from the bracket.




4. Remove the under-hood fuse/relay box lower cover (B) from the fuse/relay box.




5. Remove the No. 20 IG1 (50 A) fuse (A) and the No. 19 BATTERY (100 A) fuse (B).




6. Disconnect the ELD 3P connector (A), then remove the ELD (B).
7. Install the parts in the reverse order of removal.
8. Enter the anti-theft code for the audio unit, then enter the audio presets ('03-04 models).
9. Set the clock.