lemon-mirror:
Home >> Honda >> 2007 >> Element 2WD L4-2.4L >> Repair and Diagnosis >> Heating and Air Conditioning >> Control Assembly >> Service and Repair

Control Assembly: Service and Repair

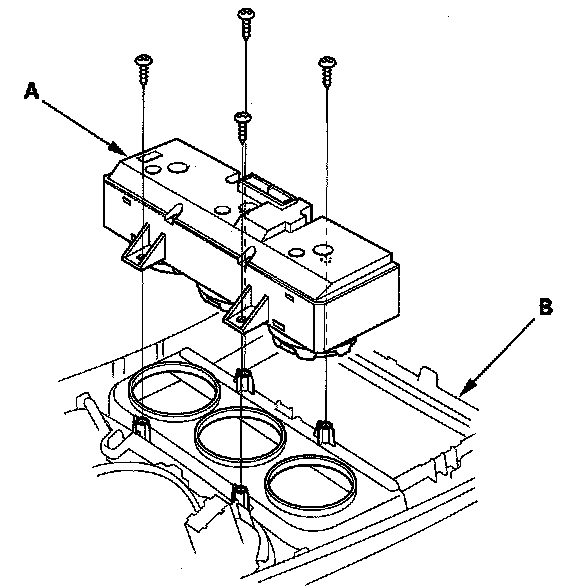
Heater Control Panel Removal and Installation

1. Remove the center panel.




2. Remove the self-tapping screws and the heater control panel (A) from the center panel (B).
3. Install the control panel in the reverse order of removal. After installation, operate the various functions to see whether they works properly.
4. Run the self-diagnostic function to confirm that there are no problems in the system.