lemon-mirror:
Home >> Honda >> 2007 >> Element 2WD L4-2.4L >> Repair and Diagnosis >> Diagrams >> Exploded Views >> Cylinder Head Assembly

Cylinder Head Assembly

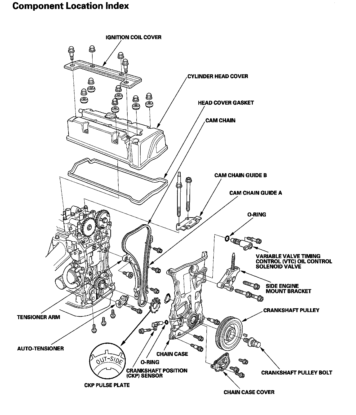
Cylinder Head Component Location Index (Part 1):



Cylinder Head Component Location Index (Part 2):



Cylinder Head Component Location Index (Part 3):