lemon-mirror:
Home >> Honda >> 2007 >> Civic L4-1.8L >> Repair and Diagnosis >> Heating and Air Conditioning >> Control Assembly >> Service and Repair

Control Assembly: Service and Repair

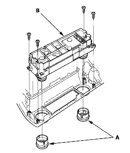
Heater Control Panel Removal and Installation

1. Remove the center panel.




2. Remove the dials (A), the self-tapping screws, and the heater control panel (B).
3. Install the control panel in the reverse order of removal. After installation, operate the various functions to make sure they work properly.
4. Run the self-diagnosis function to confirm that there are no problems in the system.