lemon-mirror:
Home >> Honda >> 2007 >> Accord V6-3.0L >> Repair and Diagnosis >> Specifications >> Mechanical Specifications >> Engine >> Timing Components >> Timing Cover

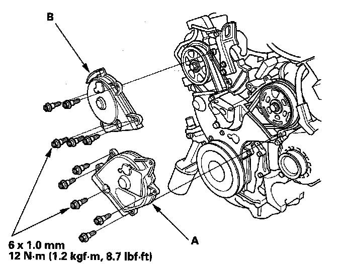
Timing Cover

Timing Cover





Lower





Upper