lemon-mirror:
Home >> Honda >> 2007 >> Accord V6-3.0L >> Repair and Diagnosis >> Specifications >> Mechanical Specifications >> Engine >> Timing Components >> System Specifications

System Specifications

Crankshaft Pulley





Install the crankshaft pulley, and tighten the bolt.
Do not use an impact wrench.
- 1 Hold the pulley with the holder handle (A) and holder attachment (B), then tighten the bolt to 64 Nm (6.5 kgf-m, 47 ft. lbs.) with a torque wrench and 19 mm socket (C).
- 2 Mark the bolt head and crankshaft pulley as shown, then tighten the bolt an additional 60° (The mark on the bolt head line up with the mark on the crankshaft pulley).

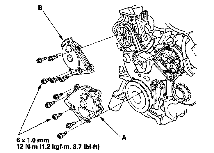
Timing Cover





Install the lower cover.





Install the front upper cover (A) and rear upper cover (B).





Timing Belt Tensioner