lemon-mirror:
Home >> Honda >> 2007 >> Accord L4-2.4L >> Repair and Diagnosis >> Specifications >> Mechanical Specifications >> Engine >> Timing Components >> Timing Cover

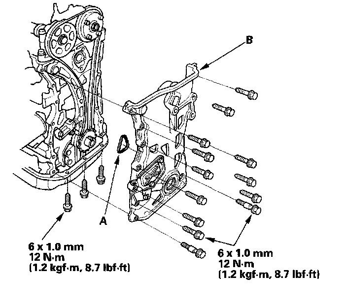
Timing Cover

Specified Torque




Chain case