lemon-mirror:
Home >> Honda >> 2007 >> Accord L4-2.4L >> Repair and Diagnosis >> Powertrain Management >> Computers and Control Systems >> Transmission Position Sensor/Switch >> Locations

Transmission Position Sensor/Switch: Locations

Electronic Controls Location:



A/T Gear Position Indicator Component Location Index:



24. Transmission Housing (L4: A/T):



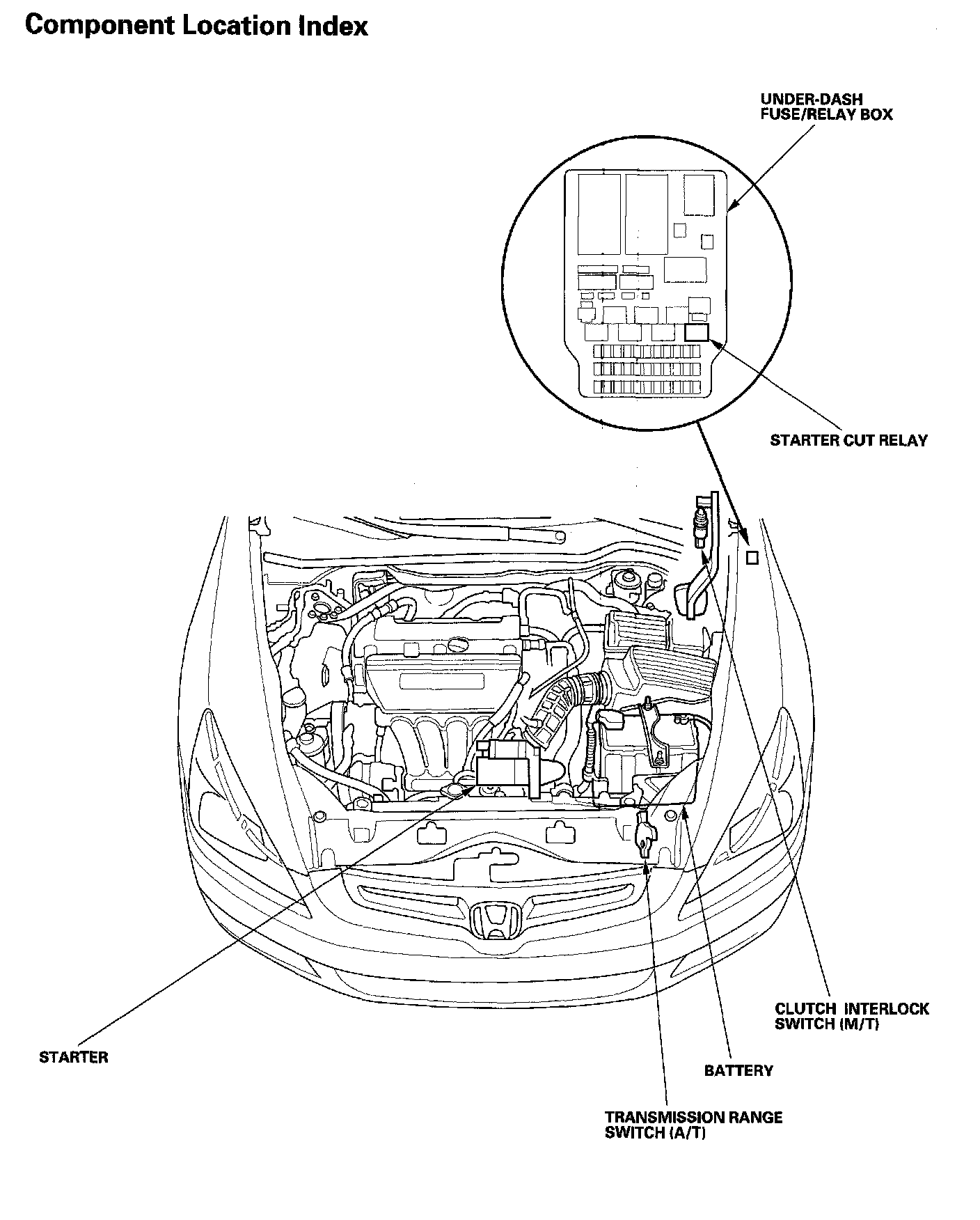
Starting System Component Location Index:



Cruise Control Component Location Index: