lemon-mirror:
Home >> Honda >> 2007 >> Accord L4-2.4L >> Repair and Diagnosis >> Body and Frame >> Frame >> Specifications

Frame: Specifications

Frame Repair Chart Part 1:



Frame Repair Chart Part 2:



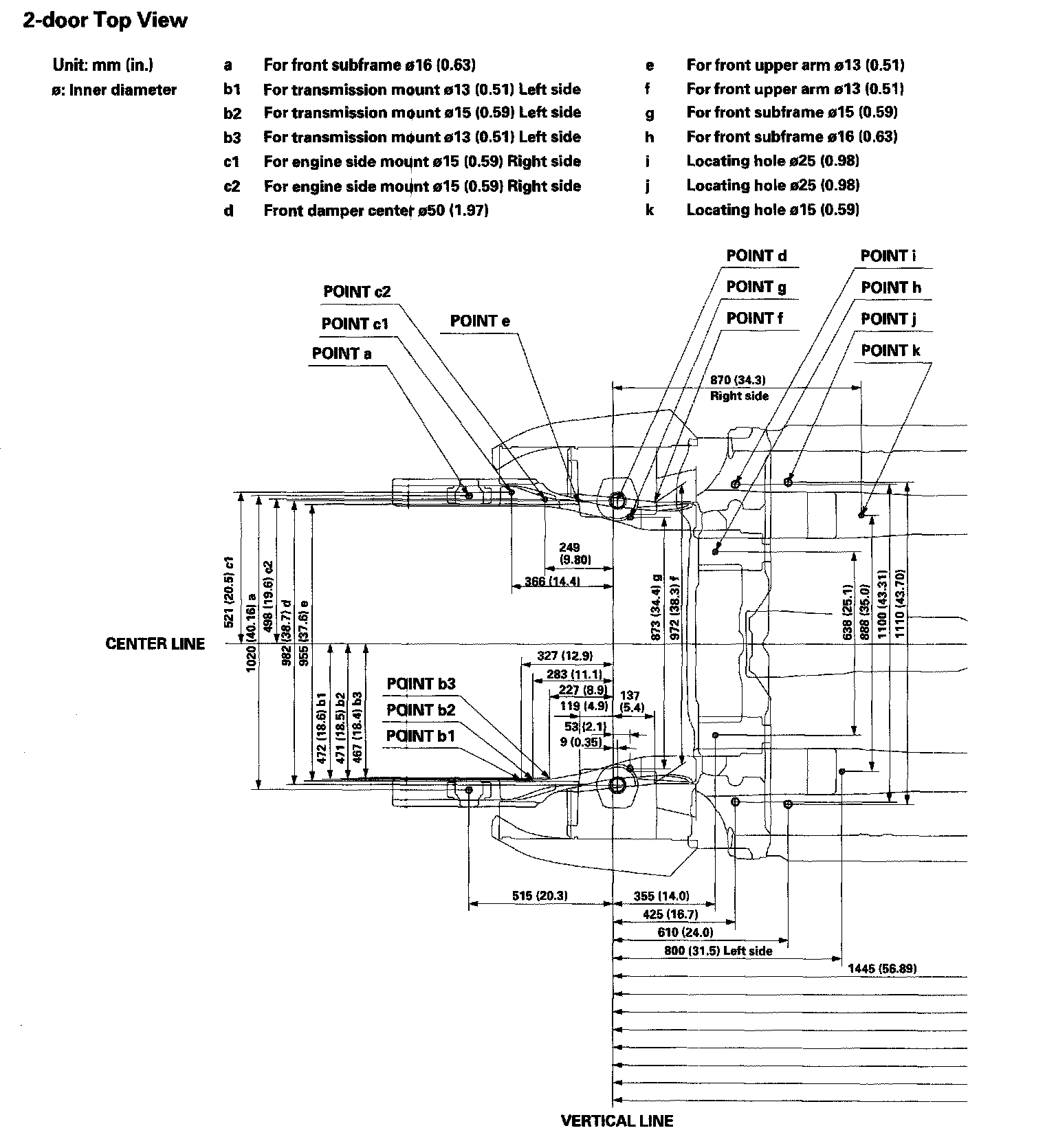
Frame Repair Chart Part 3:



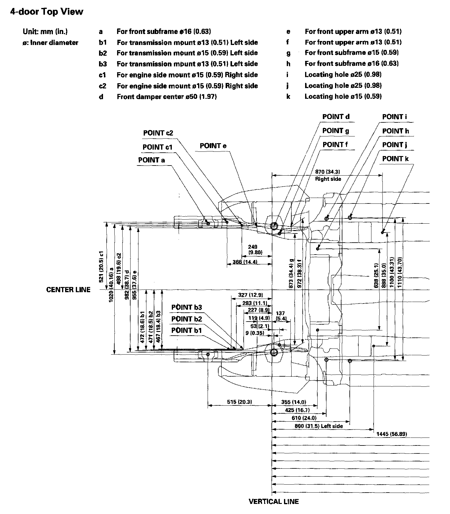
Frame Repair Chart Part 4:



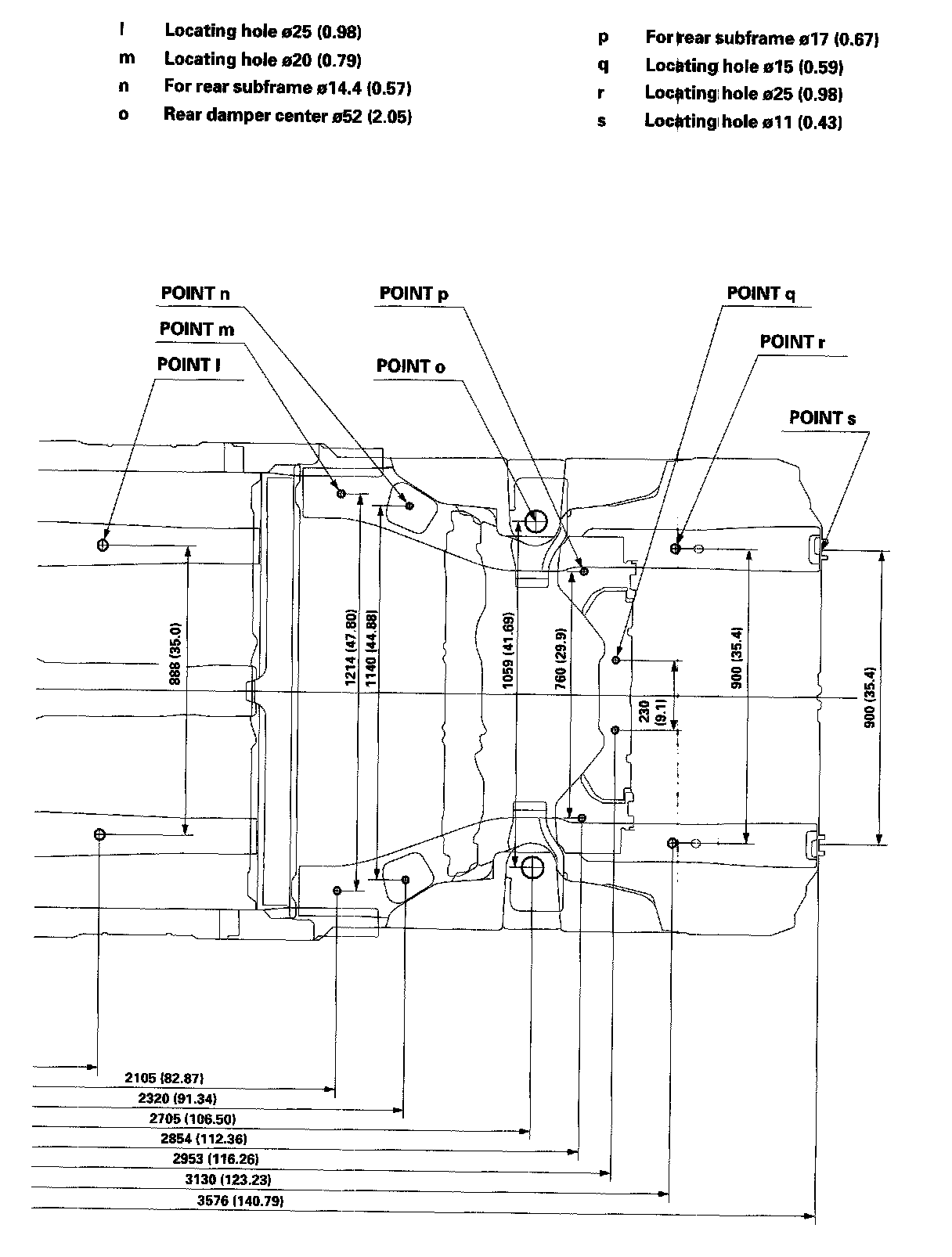
Frame Repair Chart Part 5:



Frame Repair Chart Part 6: