lemon-mirror:
Home >> Honda >> 2007 >> Accord L4-2.4L >> Repair and Diagnosis >> Accessories and Optional Equipment >> Navigation System >> Navigation Module >> Service and Repair

Navigation Module: Service and Repair

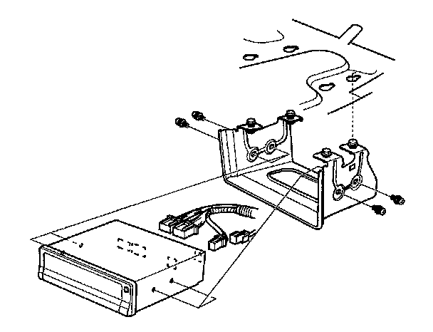
Navigation Unit Removal/Installation

NOTE: If the navigation unit is replaced or disconnected, a map match must be done.




1. Remove the navigation unit from the trunk area.
2. Remove the navigation unit bracket (B) from the passenger's seat.
3. Remove the bracket from the navigation unit (C).
4. Install in the reverse order of removal.