lemon-mirror:
Home >> Honda >> 2006 >> Ridgeline V6-3.5L >> Repair and Diagnosis >> Powertrain Management >> Computers and Control Systems >> Engine Control Module >> Testing and Inspection >> Programming and Relearning >> Updating the PCM

Updating the PCM

PCM Updating and Substitution for Testing

Special Tools Required
Honda interface module (HIM) EQS05A35570

Use this procedure when you have to substitute a known-good PCM in a troubleshooting procedure. Update the PCM only if the PCM does not have the latest software loaded.

NOTE: Do not turn the ignition switch OFF while updating the PCM. If you turn the ignition switch OFF before completion, the PCM Can be damaged.

How to Update the PCM

NOTE:
- To ensure the latest program is installed, do a PCM update whenever the PCM is substituted or replaced.
- You can not update a PCM with the program it already has. It will only accept a new program.
- Before you update the PCM, make sure the vehicle's battery is fully charged.
- To prevent PCM damage, do not operate anything electrical (audio system, brakes, A/C, power windows, moonroof, door locks, etc.) during the update.
- If you need to diagnose the Honda interface module (HIM) because the HIM's red (# 3) light came on or was flashing during the update, leave the ignition switch in the ON (II) position when you disconnect the HIM from the data link connector (DLC). This will prevent PCM damage.
- High temperature in the engine compartment might cause the PCM to become too hot to run the update. If the engine has been running before this procedure, open the hood and cool the engine compartment.

1. Turn the ignition switch ON (II). Do not start the engine.




2. Connect the HDS to the data link connector (DLC) (A) located under the driver's side of the dashboard.
3. Select the INSPECTION MENU with the HDS.
4. Do the TP POSITION CHECK in the ETCS TEST.
5. If the HDS does not have the update function, disconnect the HDS from the vehicle and connect the Honda interface module (HIM).
6. If the software in the PCM is the latest, disconnect the HDS or the HIM from the DLC, and go back to the procedure that you were doing.
If the software in the PCM is not the latest, do the PCM update procedure as described on the HIM label or in the PCM update system.

NOTE: If the PCM update system requires you to cool the PCM, follow what is shown in the screen.

7. Do the PCM idle learn procedure.
8. Do the CKP pattern clear/pattern learn procedure.

How to Substitute the PCM




1. Connect the HDS to the data link connector (DLC) (A) located under the driver's side of the dashboard.
2. Jump the SCS line with the HDS.




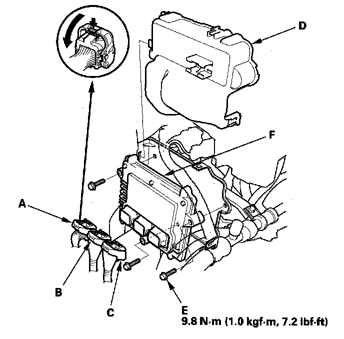
3. Remove the cover (D).
4. Disconnect the PCM connectors (B).

NOTE: PCM connectors A, B, and C have symbols (A=[], B=/\, C=O) embossed on them for identification.

5. Remove the bolts (E), then remove the PCM (F).
6. Install a known-good PCM in the reverse order of removal.
7. Open the SCS with the HDS.
8. Turn the ignition switch ON (II).

NOTE: DTC P0630 "VIN Not Programmed or Mismatch" may be stored because the VIN has not been programmed into the PCM; ignore it, and continue this procedure.

9. Input the VIN to the PCM with the HDS.
10. Rewrite the immobilizer code with the PCM replacement procedure in the HDS; it allows you to start the engine.
11. Reset the PCM with the HDS.
12. Select the INSPECTION MENU with the HDS.
13. Do the TP POSITION CHECK in the ETCS TEST.
14. Do the PCM idle learn procedure.