lemon-mirror:
Home >> Honda >> 2006 >> Ridgeline V6-3.5L >> Repair and Diagnosis >> Powertrain Management >> Computers and Control Systems >> Engine Control Module >> Service and Repair

Engine Control Module: Service and Repair

PCM Replacement




1. Connect the HDS to the data link connector (DLC) (A) located under the driver's side of the dashboard.
2. Turn the ignition switch ON (II).
3. Select READ DATA in the REPLACE PCM menu with the HDS.
4. Turn the ignition switch OFF.
5. Jump the SCS line with the HDS.




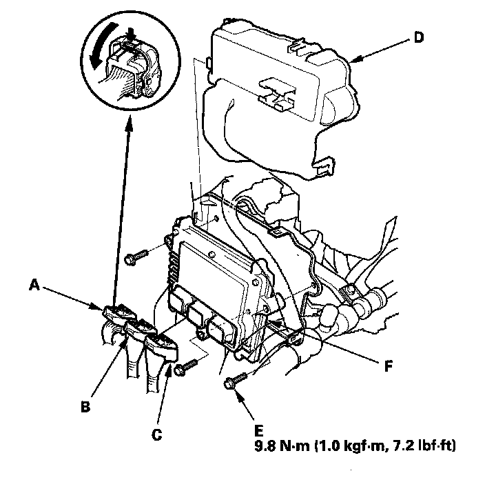
6. Remove the cover (D).
7. Disconnect the PCM connectors A, B, and C.

NOTE: PCM connectors A, B, and C have symbols (A=[], B=/\, C=O) embosed on them for identification.

8. Remove the bolts (E), then remove the PCM (F).
9. Install the PCM in the reverse order of removal.
10. Open the SCS with the HDS.
11. Turn the ignition switch ON (II).

NOTE: DTC P0630 "VIN Not Programmed or Mismatch" will be stored because VIN has not been programmed into the PCM. Ignore it, and continue this procedure.

12. Input the VIN to the PCM with the HDS.
13. Select WRITE DATA in the REPLACE PCM menu with the HDS.
14. Rewrite the immobilizer code with the PCM replacement procedure in the HDS; it allows you to start the engine.
15. Reset the PCM with the HDS.
16. Select the INSPECTION MENU with the HDS.
17. Do the TP POSITION CHECK in the ETCS TEST.
18. Do the PCM idle learn procedure.
19. Do the CKP pattern learn procedure.