lemon-mirror:
Home >> Honda >> 2006 >> Ridgeline V6-3.5L >> Repair and Diagnosis >> Diagrams >> Exploded Views >> Intake Manifold

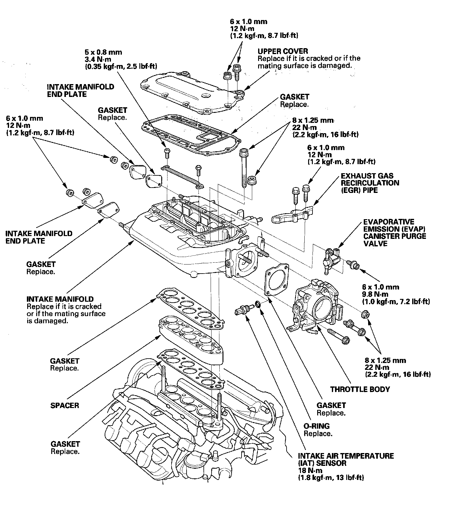
Intake Manifold

Intake Manifold: