lemon-mirror:
Home >> Honda >> 2006 >> Ridgeline V6-3.5L >> Repair and Diagnosis >> Diagrams >> Exploded Views >> Cylinder Block Assembly

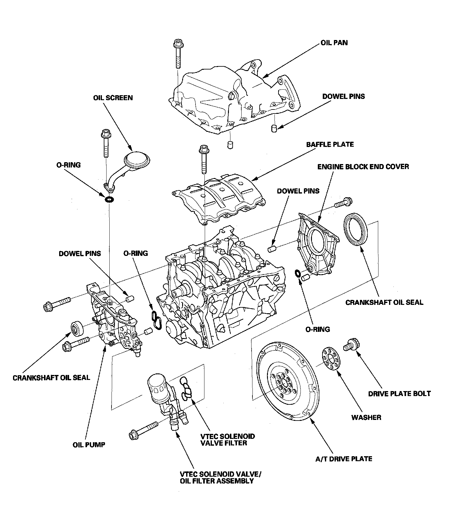
Cylinder Block Assembly

Engine Block Component Location Index (Part 1):



Engine Block Component Location Index (Part 2):



Engine Block Component Location Index (Part 3):