lemon-mirror:
Home >> Honda >> 2006 >> Pilot 2WD V6-3.5L >> Repair and Diagnosis >> Specifications >> Mechanical Specifications >> Engine >> Timing Components >> System Specifications

System Specifications

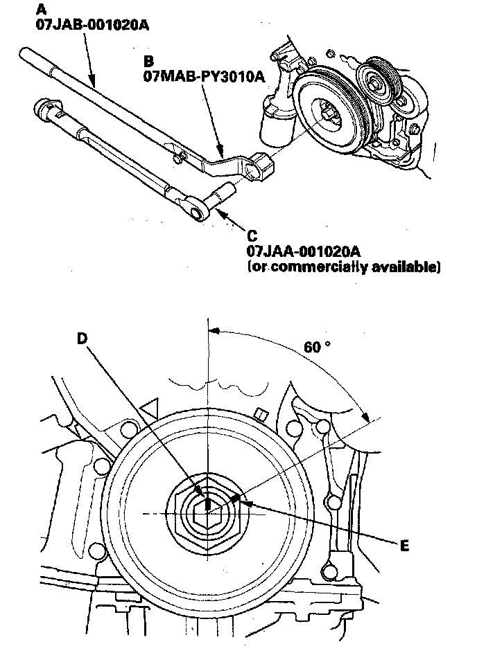
Crankshaft Pulley





Install the crankshaft pulley and tighten the bolt. Do not use an impact wrench.
1 Hold the pulley with the holder handle (A) and holder attachment (B), then tighten the bolt to 64 Nm (6.5 kgf-m, 47 ft. lbs.) with a torque wrench and a 19 mm socket (C).
2 Mark the bolt head (D) and crankshaft pulley (E) as shown, then tighten the bolt an additional 60° (The mark on the bolt head lines up with the mark on the crankshaft pulley).

Timing Belt





Inspect the timing belt for cracks and oil or coolant contamination. Replace the belt if it is cracked, or is contaminated with oil or coolant. Remove any oil or solvent that gets on the belt.

Timing Cover





Install the lower cover.





Install the front upper cover (A) and rear upper cover (B).