lemon-mirror:
Home >> Honda >> 2006 >> Element 2WD L4-2.4L >> Repair and Diagnosis >> Powertrain Management >> Computers and Control Systems >> Relays and Modules - Computers and Control Systems >> Engine Control Module >> Service and Repair

Engine Control Module: Service and Repair

ECM/PCM Replacement




1. Connect the HDS or the Honda interface module (HIM) to the data link connector (DLC) (A) located under the driver's side of the dashboard.
2. Turn the ignition switch ON (II).
3. Turn the ignition switch OFF.
4. Jump the SCS line with the HDS.
5. Remove the passenger's dashboard under cover, the passenger's kick panel, and the glove box.




6. Cut the plastic cross brace in the glove box opening with diagonal cutters in the area shown, and discard it.




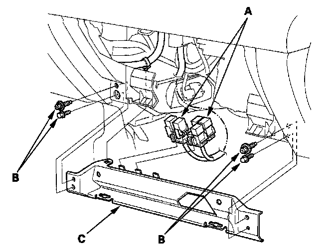
7. Remove the relays (A), then remove the bolts (B) and the glove box frame (C).




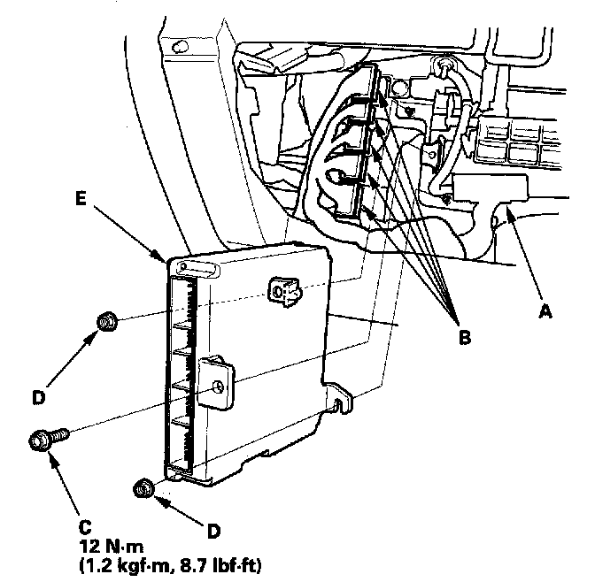
8. Remove the gray 20P ECM/PCM wire harness connector (A) from the ECM/PCM mounting bracket.
9. Disconnect the ECM/PCM connectors (B).
10. Remove the ECM/PCM mounting bolt (C) and the bracket.
11. Remove the nuts (D), then remove the ECM/PCM (E).
12. Install the ECM/PCM in the reverse order of removal.
13. Open the SCS line with the HDS.
14. Turn the ignition switch ON (II).

NOTE: For 2005-2006 models: DTC P0630 "VIN Not Programmed or Mismatch" will be stored because VIM has not been programmed into the ECM/PCM; ignore it, and continue this procedure.

15. Input the VIN to the ECM/PCM with the HDS.
16. Rewrite the immobilizer code with the ECM/PCM replacement procedure in the HDS; it allows you to start the engine.
17. Reset the ECM/PCM with the HDS.
18. Do the ECM/PCM idle learn procedure.
19. Do the CKP pattern learn procedure.