lemon-mirror:
Home >> Honda >> 2006 >> Element 2WD L4-2.4L >> Repair and Diagnosis >> Powertrain Management >> Computers and Control Systems >> Engine Control Module >> Testing and Inspection >> Programming and Relearning >> ECM/PCM Updating and Substitution for Testing

ECM/PCM Updating and Substitution for Testing

ECM/PCM Updating and Substitution for Testing

Special Tools Required
Honda interface module (HIM) EQS05A35570

Use this procedure when you have to substitute a known-good ECM/PCM in a troubleshooting procedure. Update the ECM/PCM only if the ECM/PCM does not have the latest software loaded.

NOTE: Do not turn the ignition switch OFF while updating the ECM/PCM. If you turn the ignition switch OFF before completion, the ECM/PCM can be damaged.

How to Update the ECM/PCM

NOTE:
- To ensure the latest program is installed, do an ECM/PCM update whenever the ECM/PCM is substituted or replaced.
- You cannot update an ECM/PCM with the program it already has. It will only accept a new program.
- Before you update the ECM/PCM, make sure the vehicle's battery is fully charged,
- To prevent ECM/PCM damage, do not operate anything electrical (audio system, brakes, A/C, power windows, door locks, etc.) during the update.
- If you need to diagnose the Honda interface module (HIM) because the HIM's red (#3) light came on or was flashing during the update, leave the ignition switch in the ON (II) position when you disconnect the HIM from the data link connector (DLC). This will prevent ECM/PCM damage.

1. Turn the ignition switch ON (II). Do not start the engine.




2. Connect the HDS or the Honda interface module (HIM) to the data link connector (DLC) (A) located under the driver's side of the dashboard.
3. If the HDS does not have the update function, disconnect the HDS from the vehicle and connect the Honda interface module (HIM).
4. If the software in the ECM/PCM is the latest, disconnect the HDS or the HIM from the DLC, and go back to the procedure that you were doing. If the software in the ECM/PCM is not the latest, do the ECM/PCM update procedure as described on the HIM label or in the ECM/PCM update system.
5. Do the ECM/PCM idle learn procedure.
6. Do the CKP pattern clear/pattern learn procedure.

How to Substitute the ECM/PCM




1. Connect the HDS or the Honda interface module (HIM) to the data link connector (DLC) (A) located under the driver's side of the dashboard.
2. Turn the ignition switch ON (II).
3. Turn the ignition switch OFF.
4. Jump the SCS line with the HDS.
5. Remove the passenger's dashboard undercover, the passenger's kick panel, and the glove box.




6. Cut the plastic cross brace in the glove box opening with diagonal cutters in the area shown, and discard it.




7. Remove the relays (A), then remove the bolts (B) and the glove box frame (C).




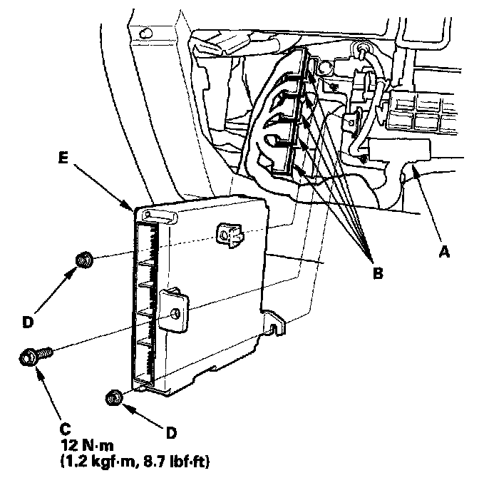
8. Remove the gray 20P ECM/PCM wire harness connector (A) from the ECM/PCM mounting bracket.
9. Disconnect the ECM/PCM connectors (B).
10. Remove the ECM/PCM mounting bolt (C) and the bracket.
11. Remove the nuts (D), then remove the ECM/PCM (E).
12. Install the ECM/PCM in the reverse order of removal.
13. Open the SCS line with the HDS.
14. Turn the ignition switch ON (II).

NOTE: For 2005-2006 models: DTC P0630 "VIN Not Programmed or Mismatch" will be stored because VIN has not been programmed into the ECM/PCM; ignore it, and continue this procedure.

15. Input the VIN to the ECM/PCM with the HDS.
16. Rewrite the immobilizer code with the ECM/PCM replacement procedure in the HDS; it allows you to start the engine.
17. Reset the ECM/PCM with the HDS.
18. Do the ECM/PCM idle learn procedure.
19. Do the CKP pattern clear/CKP pattern learn procedure.