lemon-mirror:
Home >> Honda >> 2006 >> Element 2WD L4-2.4L >> Repair and Diagnosis >> Heating and Air Conditioning >> Service and Repair >> System Charging

System Charging

System Charging

CAUTION:
- Air conditioning refrigerant or lubricant vapor can irritate your eyes, nose, or throat.
- Be careful when connecting service equipment.
- Do not breathe refrigerant or vapor.

Use only service equipment that is U.L-listed and is certified to meet the requirements of SAEJ2210 to remove HFC-134a (R-134a) from the air conditioning system.

If accidental system discharge occurs, ventilate work area before resuming service.

Additional health and safety information may be obtained from the refrigerant and lubricant manufacturers.




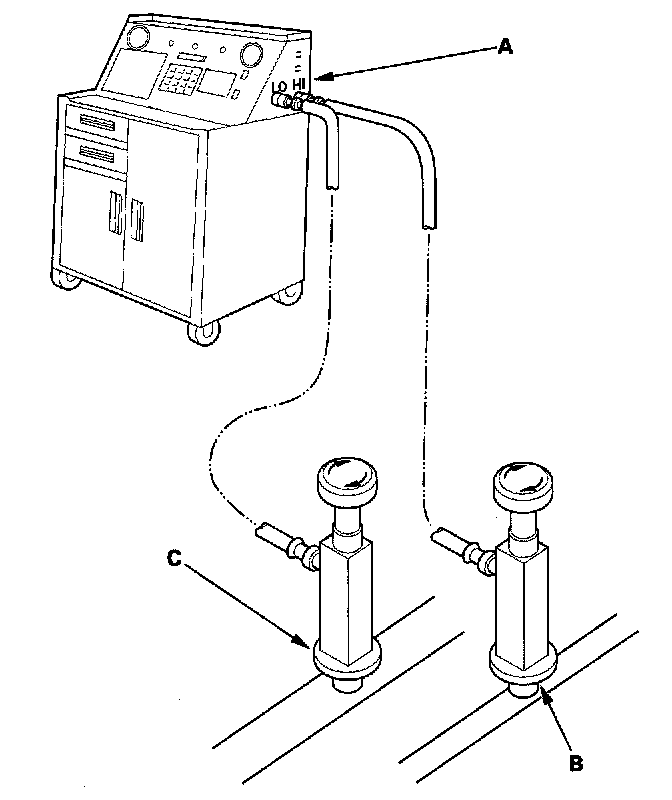
1. Connect an R-134a refrigerant recovery/recycling/charging station (A) to the high-pressure service port (B) and the low-pressure service port (C), as shown, following the equipment manufacturer's instructions.
2. Evacuate the system.
3. Add the same amount of new refrigerant oil to the system that was removed during recovery. Use only DENSO ND-OIL 8 refrigerant oil.
4. Charge the system with the specified amount of R-134a refrigerant. Do not overcharge the system; the A/C compressor will be damaged.

Select the appropriate units of measure for your refrigerant charging station.

Refrigerant Capacity:
500 to 550 g
0.50 to 0.55 kg
1.10 to 1.21 lbs
17.6 to 19.4 oz


5. Check for refrigerant leaks.
6. Check for system performance.