lemon-mirror:
Home >> Honda >> 2006 >> Element 2WD L4-2.4L >> Repair and Diagnosis >> Diagrams >> Exploded Views >> Differential Assembly >> Differential Mount

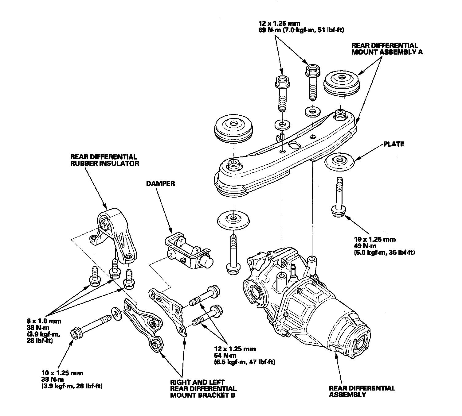
Differential Mount

Differential Mount: