lemon-mirror:
Home >> Honda >> 2006 >> Civic L4-1.8L >> Repair and Diagnosis >> Powertrain Management >> Computers and Control Systems >> Knock Sensor >> Service and Repair

Knock Sensor: Service and Repair

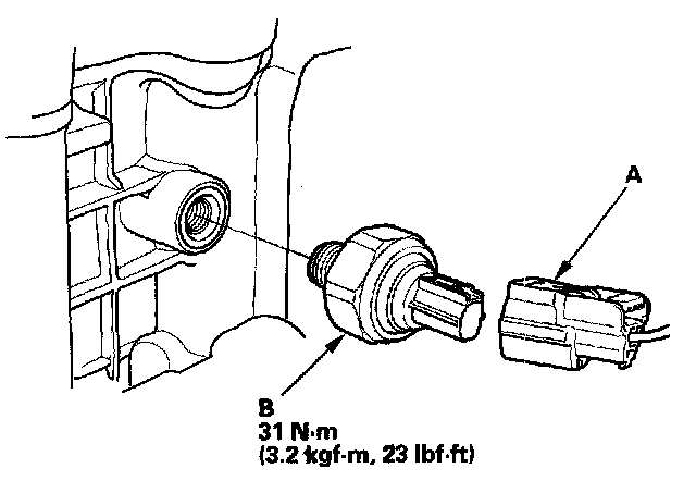
Knock Sensor Replacement

1. Remove the intake manifold.




2. Disconnect the knock sensor connector (A).
3. Remove the knock sensor (B).
4. Install the sensor in the reverse order of removal.