lemon-mirror:
Home >> Honda >> 2006 >> Accord L4-2.4L >> Repair and Diagnosis >> Heating and Air Conditioning >> Control Assembly >> Service and Repair >> Audio-HVAC Display Module Removal/Installation

Audio-HVAC Display Module Removal/Installation

Audio-HVAC Display Module Removal/Installation

SRS components are located in this area. Review the SRS component locations and the precautions and procedures before performing repairs or service.

NOTE:
- Put on gloves to protect your hands.
- Take care not to scratch the dashboard and related parts.
- Lay a workshop towel under the parts when working on them to protect the face panel from scratches or other damage.
- Do not work in a dusty or dirty place.
- Discharge static electricity from your body before and during the work.
- Do not touch the circuit board with your bare hands.
- Do not work with dirty hands.
- Be careful not to fold the flat plate cable.
- Do not touch the terminal connector of the flat plate cable with your bare hands. (If you have touched it, wipe it off thoroughly.)

1. Make sure you have the anti-theft codes for the radio and navigation system, then write down the frequencies for the radio's preset buttons.
2. Remove the upper panel.
3. Remove the center pocket.







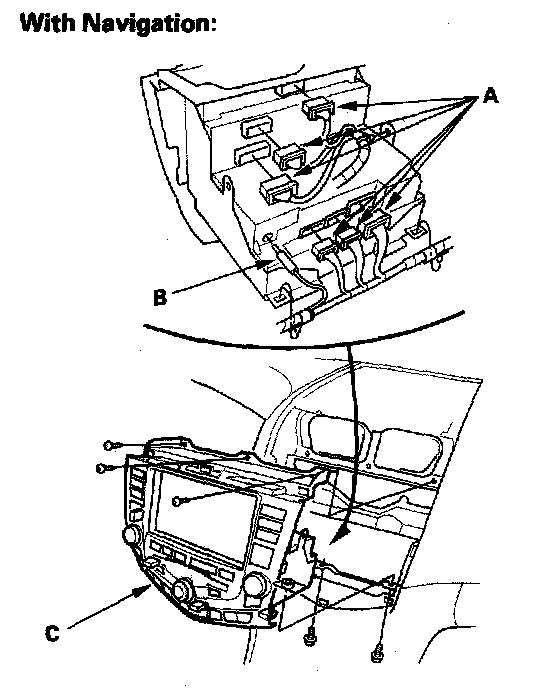
4. Remove the screws and bolts, disconnect the audio-HVAC display module connectors (A) and the antenna lead (B), then remove the audio-HVAC display module (C).
5. Install the audio-HVAC display module and note these items:
- Make sure the disconnected connectors plugged in properly, and the antenna lead is connected properly.
- Enter the anti-theft code for the radio, then enter the customer's radio station presets.