lemon-mirror:
Home >> Honda >> 2005 >> S2000 L4-2.2L >> Repair and Diagnosis >> Diagrams >> Exploded Views >> Manual Transmission/Transaxle >> System Diagram >> Disassembly

Disassembly

Transmission Disassembly








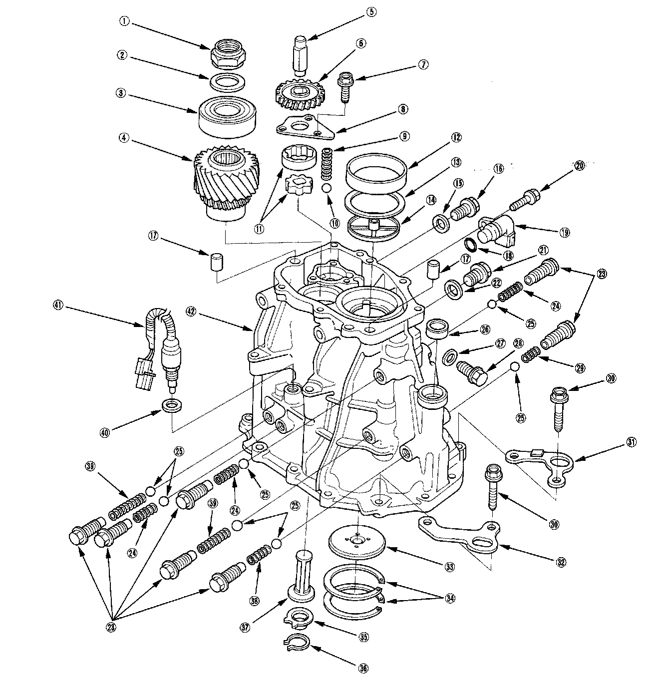
Exploded View-Rear Cover








Exploded View-Transmission Housing








Exploded View-Clutch Housing