lemon-mirror:
Home >> Honda >> 2005 >> S2000 L4-2.2L >> Repair and Diagnosis >> Diagrams >> Exploded Views >> Cylinder Block Assembly

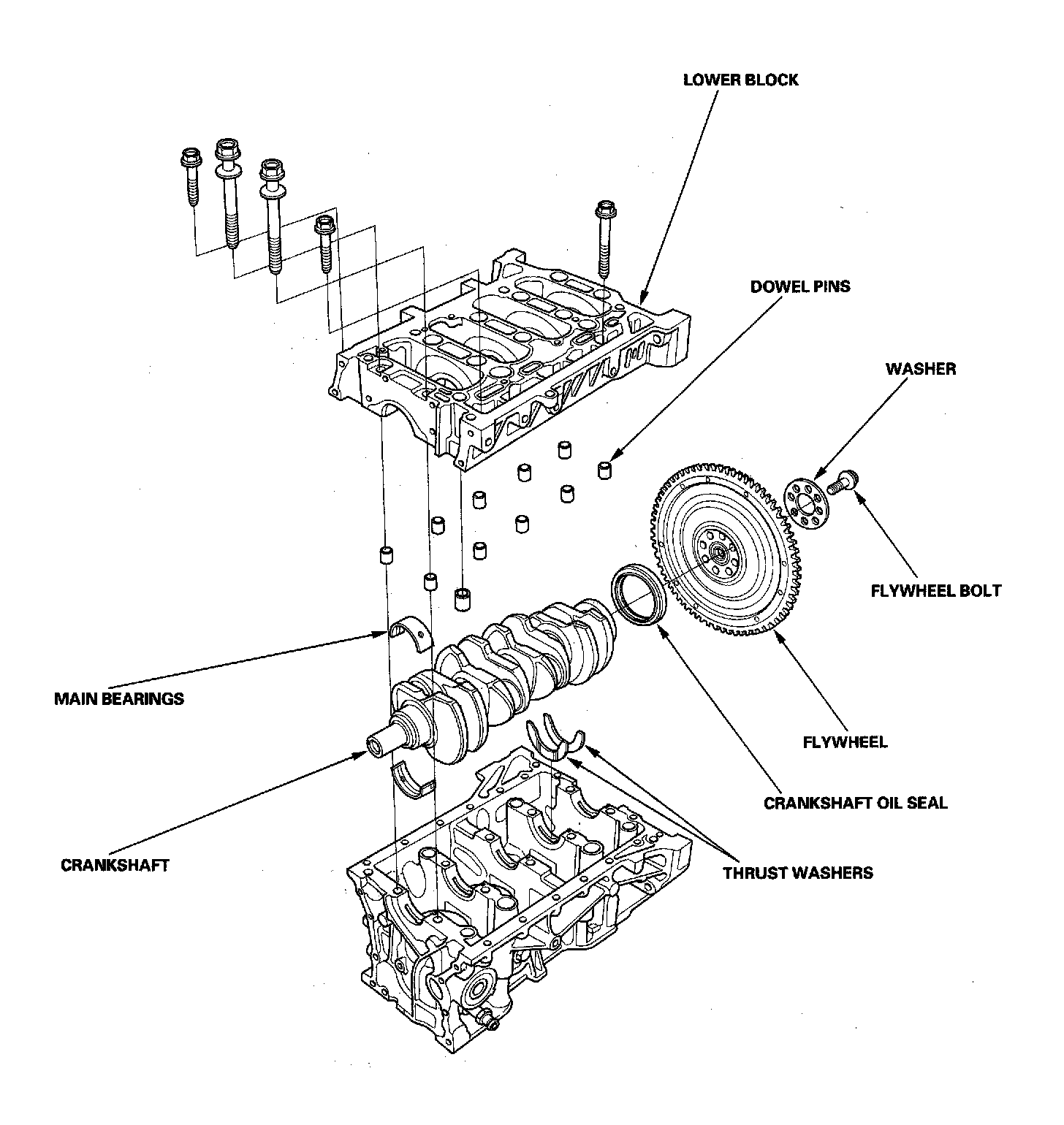
Cylinder Block Assembly

Component Location Index - Part 1:



Component Location Index - Part 2: