lemon-mirror:
Home >> Honda >> 2005 >> S2000 L4-2.2L >> Repair and Diagnosis >> Diagrams >> Exploded Views >> Clutch, M/T

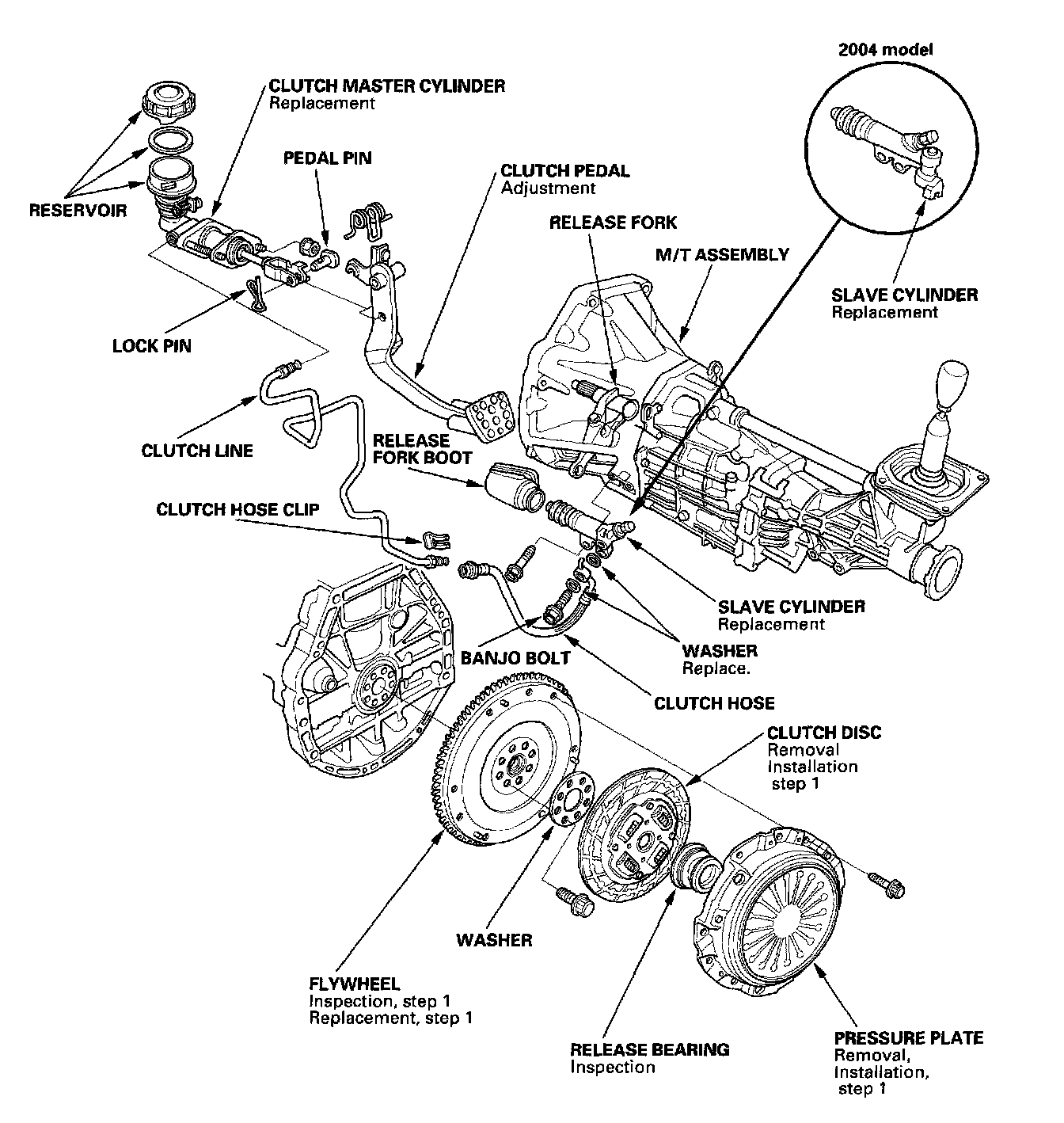
Clutch, M/T