lemon-mirror:
Home >> Honda >> 2005 >> S2000 L4-2.2L >> Repair and Diagnosis >> Cruise Control >> Cruise Control Servo >> Service and Repair

Cruise Control Servo: Service and Repair

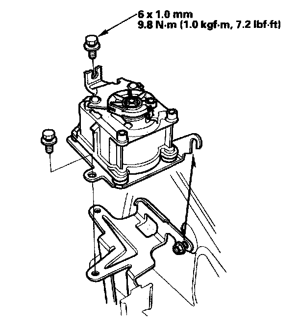
Cruise Control Actuator Replacement




1. Remove the actuator cover, and disconnect the 4P connector from the cruise control actuator.




2. Disconnect the actuator cable end (A) from the output linkage (B), and remove the cable (C) from the cruise control actuator.




3. Remove the cruise control actuator assembly.
4. Replace the actuator, and install the new cruise control actuator in the reverse order of removal.
5. Adjust the actuator cable on the cruise control actuator side.