lemon-mirror:
Home >> Honda >> 2005 >> Pilot V6-3.5L >> Repair and Diagnosis >> Powertrain Management >> Computers and Control Systems >> Oxygen Sensor >> Service and Repair >> A/F Sensor Replacement

A/F Sensor Replacement

A/F Sensor Replacement

Special Tools Required
O2 sensor socket wrench, commercially available

Front Bank (Bank 2)

1. Remove the front grille cover.




2. Disconnect the front A/F sensor 8P connector (A), then remove the front A/F sensor (B).
3. Install the front A/F sensor in the reverse order of removal.

Rear Bank (Bank 1)

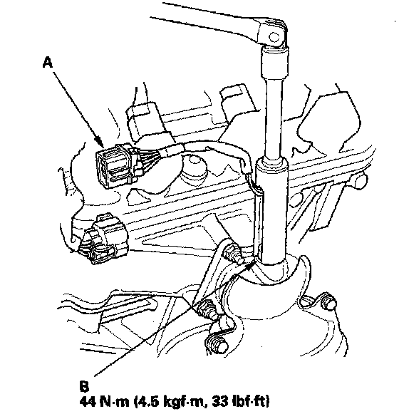
1. Remove the intake manifold cover.




2. Disconnect the rear A/F sensor 8P connector (A), then remove the rear A/F sensor (B).
3. Install the rear A/F sensor in the reverse order of removal.