lemon-mirror:
Home >> Honda >> 2005 >> Pilot V6-3.5L >> Repair and Diagnosis >> Maintenance >> Fluids >> Fluid - Differential >> Service and Repair

Fluid - Differential: Service and Repair

Differential Fluid Inspection and Replacement
1. With the vehicle on level ground, inspect the differential fluid with the ignition switch OFF.





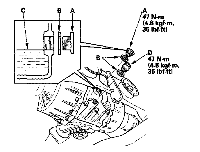
2. Remove the oil filler plug (A) and sealing washer (B),then check the condition of the fluid, and make sure the fluid is at the proper level (C).
3. The fluid level must be up to the fill hole. If it is below the hole, add the recommended fluid until it runs out, then reinstall the oil filler plug with a new sealing washer.
4. If the differential fluid is dirty, remove the drain plug (D) and sealing washer, then drain the fluid.
5. Clean the drain plug, then reinstall with a new washer, and refill the differential with the recommended fluid to the proper level.
Fluid capacity: 2.64 L (2.79 US.qt) at oil change
Recommended fluid VTM-4 Differential Fluid (P/N 0822-9003)
6. Reinstall the oil filler plug with a new washer.