lemon-mirror:
Home >> Honda >> 2005 >> Odyssey V6-3.5L >> Repair and Diagnosis >> Powertrain Management >> Computers and Control Systems >> Relays and Modules - Computers and Control Systems >> Engine Control Module >> Service and Repair >> Procedures

Procedures

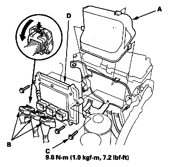
How to Remove the PCM for Testing

If DTC troubleshooting requires voltage or resistance checks at the PCM connectors, remove the PCM and test it:

1. Turn the ignition switch OFF.
2. Jump the SCS line with the HDS.




3. Remove the cover (A).
4. Disconnect the PCM connectors (B).
5. Remove the bolts.(C), then remove the PCM (D).
6. Install the PCM in the reverse order of removal.
7. Exit the SCS mode with the HDS.
8. Turn the ignition switch ON (II).

NOTE: US model: DTC P0630 "VIN Not Programmed or Mismatch" will be stored because VIN has not been programmed into the PCM, but ignore it and continue this procedure.

9. US model: Input the VIN to the PCM with the HDS.
10. Rewrite the immobilizer code with the PCM replacement procedure in the HDS; it allows you to start the engine.
11. Reset the PCM with the HDS.
12. Do the idle learn procedure.