lemon-mirror:
Home >> Honda >> 2005 >> Odyssey V6-3.5L >> Repair and Diagnosis >> Diagrams >> Exploded Views >> Engine Lubrication

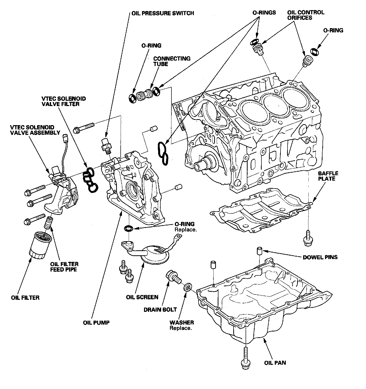
Engine Lubrication

Component Location Index - Part 1: