lemon-mirror:
Home >> Honda >> 2005 >> Insight L3-1.0L Hybrid >> Repair and Diagnosis >> Specifications >> Mechanical Specifications >> Engine >> Timing Components >> System Specifications

System Specifications

Crankshaft pulley
Install the crankshaft pulley, and tighten the bolt to 20 Nm (2.0 kgf-m, 14 ft. lbs.).





Tighten the pulley bolt an additional 90°.

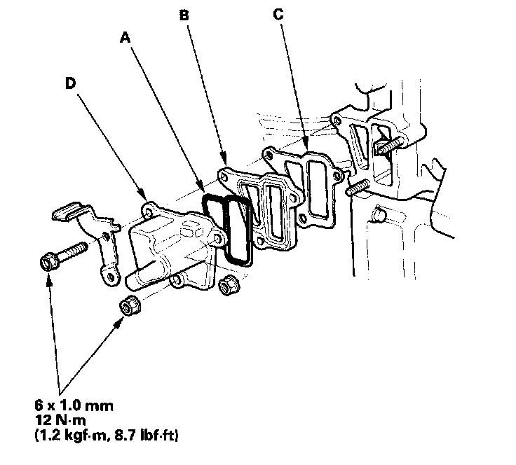
Timing Chain tensioner





Install the new O-ring (A) into the spacer (B). Set the spacer and new gasket (C) on the cam chain auto-tensioner (D), then tighten the bolt and nuts equally while pressing the timing chain autotensioner against the cylinder head.





Timing Chain Cover